IHZJ型化工泵是在IH化工泵系列的基础上参照国内同类产品的优点而优化设计的新型产品,符合国际标准ISO2858 和 GB/T5656,是IH 系列泵理想的替代产品。
材质过流件:304、316、316L、20合金、25合金、28合金、30合金、钛合金、镍合金
适用范围:
IHZJ型泵适用输送各种清洁或含有少量颗粒、中性或有腐蚀性的液体。主要用于化工、石油、造纸、煤加工工业、制碱、制酸、普通工业流程、食品制药等。
参数范围:
流量:Q=7.5-460m³/h,扬程:H=5-132m,设计工作压力:P=1.6MPa
设计工作温度:-40~+180℃
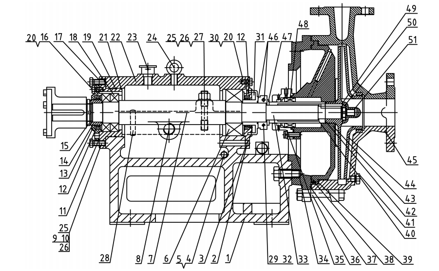
结构说明示意图:

1、托架体 2、前轴承压盖 3、纸垫 4、G3/8# 放油丝堵 5、G3/# 放油丝堵垫 6、调心球轴承 7、压盖青壳纸 8、油标 9、 10、螺柱 11、纸垫 12、油封 13、后轴承压盖 14、挡套 15、主轴圆母 16、螺栓 17、螺栓 18、角接触球轴承 19、O型圈橡胶圈 20、垫圈 21、轴承箱 22、托架盖 23、放气堵 24、吊环螺钉 25、垫圈 26、螺母 27、螺柱 28、圆锥销 29、拆卸环螺钉 30、螺栓 31、挡水盘 32、拆卸环 33、轴 34、托架螺栓 35、机封压盖 36、夹板与泵体螺栓 37、夹板 38、夹板与泵盖定位销子 39、泵盖垫 40、轴套 41、堵头 42、叶轮垫 43、泵盖 44、叶轮 45、泵体 46、拆卸环及轴套O型圈 47、轴套垫圈 48、机封 49、叶轮螺母垫 50、叶轮并帽 51、叶轮螺母 52、三抓联轴器