所在位置:

FUM(A)液下泵

FUM(A)液下泵


随着冶炼、石油、化学工业的迅速发展,对输送强腐蚀性介质并带有不同颗粒状的抗腐化工泵的需要越来越迫切,通过引进设备的消化吸收,针对既能抗腐蚀又能耐磨的特殊介质而设计的一种单级立式液下泵,本泵过流部位采用目前世界上最新颖的工程塑料(UHMWPE)经过改性的超高分子量聚乙烯制成。在耐腐蚀性能上不仅与 F4、F46塑料王相同,而且耐磨性极佳,在输送带有细颗粒状的腐蚀性液体和输送氢氟酸时,能显示其优良性能。适用温度为 -50℃-85℃。本泵极宜输送含有不同颗粒的酸、碱介质。可取代进口产品和目前国内现有金属和非金属材料制造的同类泵。并已为我国引进装置配套国产化服务,其广泛应用于冶炼、石油、化工、化纤食品、染料、化肥、农药等部门。

0.00
0.00
  


随着冶炼、石油、化学工业的迅速发展,对输送强腐蚀性介质并带有不同颗粒状的抗腐化工泵的需要越来越迫切,通过引进设备的消化吸收,针对既能抗腐蚀又能耐磨的特殊介质而设计的一种单级立式液下泵,本泵过流部位采用目前世界上最新颖的工程塑料(UHMWPE)经过改性的超高分子量聚乙烯制成。在耐腐蚀性能上不仅与 F4、F46塑料王相同,而且耐磨性极佳,在输送带有细颗粒状的腐蚀性液体和输送氢氟酸时,能显示其优良性能。适用温度为 -50℃-85℃。本泵极宜输送含有不同颗粒的酸、碱介质。可取代进口产品和目前国内现有金属和非金属材料制造的同类泵。并已为我国引进装置配套国产化服务,其广泛应用于冶炼、石油、化工、化纤食品、染料、化肥、农药等部门。



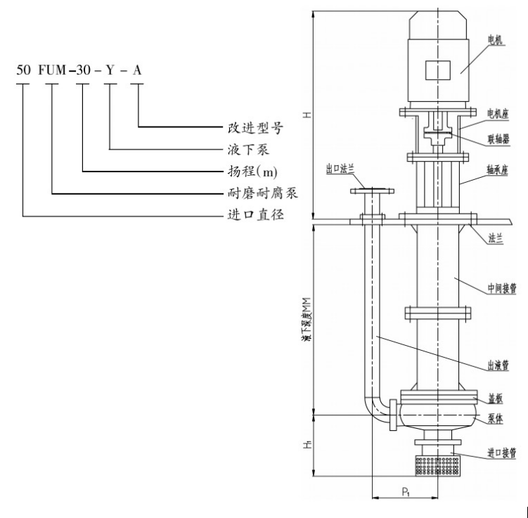
型号含义说明


性能参数表: